Ningbo Richge Technology Co., Ltd.
Ningbo Richge Technology Co., Ltd.
Produkter
ZN12-12 Series Integrated Column Switch Vacuum Circuit Breaker
  • ZN12-12 Series Integrated Column Switch Vacuum Circuit BreakerZN12-12 Series Integrated Column Switch Vacuum Circuit Breaker
  • ZN12-12 Series Integrated Column Switch Vacuum Circuit BreakerZN12-12 Series Integrated Column Switch Vacuum Circuit Breaker

ZN12-12 Series Integrated Column Switch Vacuum Circuit Breaker

Model:ZN12-12
ZN12-12 Series Indoor AC HV Vacuum Circuit Breaker er innendørsutstyret i tre faser AC 50Hz, nominell spenning på 12 kV, som introduserte teknologien fra det tysk selskap. Det er egnet for område med all slags belastning og hyppig drift, og kan brukes til beskyttelse og kontroll av industrielle og gruve, bedrifts-, kraftverks- og transformatorer. Dette produktet er i samsvar med relatert krav til GB1984, JB3855, DL403 og IEC -standarder.

ZN12-12 Series Integrated Column Switch Vacuum Circuit Breaker

  ZN12-12 Innendørs høyspenningsvakuumkretsbryter Nominell spenning på 12 kV og følgende innendørs høyspenningsbryterutstyr, hovedsakelig installert i fast bryterutstyr, for industrielle og gruvebedrifter, kraftverk og substasjoner for beskyttelse og kontroll av elektriske fasiliteter, og er egnet for å bryte viktig belastning og frekvens

  Zn12-serie vakuumskretsbrytere er innendørs høyspenningsbryterutstyr med nominelle spenninger på 12 kV, 24 kV og 40,5 kV og trefaset AC 50Hz. Det er et innenriksprodukt utviklet ved å introdusere tyske Siemens 3AF -teknologi. Driftsmekanismen til effektbryteren er en vårenergilagringstype, som kan betjenes av AC eller DC, eller manuelt. Husbryteren har enkel struktur, sterk bruddkapasitet, lang levetid og komplette driftsfunksjoner. Og det er ingen fare for eksplosjon, og vedlikeholdet er enkelt. Det er egnet for kontroll- eller beskyttelsesbryter av kraftoverføring og distribusjonssystemer som kraftverk, transformatorstasjoner og industri- og gruvebedrifter, spesielt egnet for å bryte viktige belastninger og hyppige driftssteder. Installasjonsformen for effektbryteren i bryterskapet kan enten være en fast type eller en tilbaketrekning av typen effektbryter. Dette produktet er i samsvar med relevante standarder som GB1984, JB3855 og IEC62271-100 “Høyspenning AC Circuit Breaker”.


Fordeler:

1. Husbryteren passerte vurderingen av maskinens departement og departementet for elektrisk kraft i 96. august, noe som betyr at kvaliteten er absolutt garantert.

Husbrytermekanismen er integrert med bryteren, og den spesielle aktuatormekanismen for fjærenergi kan betjenes ved AC og DC -energilagring eller manuelt betjenes manuelt.

Med enkel struktur, sterk bruddkapasitet, lang levetid, komplette driftsfunksjoner, ingen eksplosjonsfare og lett vedlikehold, er denne effektbryteren egnet for kontroll eller beskyttelse av kraftoverføring og distribusjonssystem som kraftverk, bykraftnett, transformatorstasjon, etc. Det er spesielt egnet for å bryte viktige belastninger og steder med hyppig drift.


Funksjoner:

1. Brytekapasiteten til buelivets kammer er høy, den nåværende bæreevnen er lav, og det elektriske levetiden er lang.

2. Oppsettet er fra foran til bak, enkel og kompakt struktur, fullstendig drift og enkelt vedlikehold.

3. For å strukturere og installere kan de deles inn i: horisontalt fast type, skrå fast type, mellomsett bevegelig type.






Grunnleggende info.



Tekniske parametere



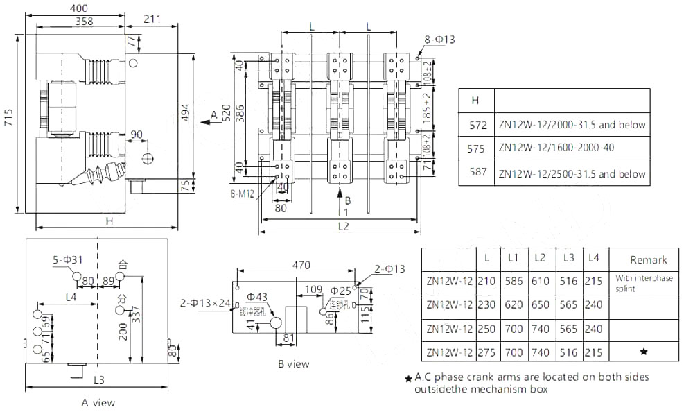
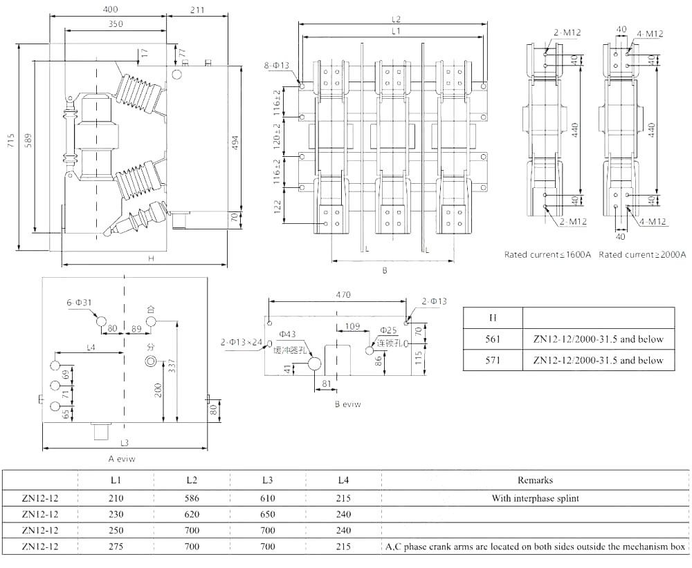
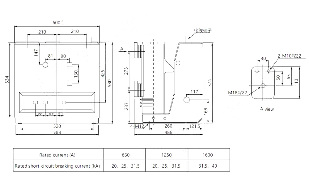
Tekniske tegninger


Bruksbetingelser for Zn12-12 Integrated Column Switch Vacuum Circuit Breaker1. Høyde: ≤1000 m; (Høyde av prototype kan nå under 4000 meter)

2. Omgivelsestemperatur: høyest +40 ° C, laveste -25 ° C;

3. Relativ fuktighet: Daglig gjennomsnitt ikke mer enn 95%, månedlig gjennomsnitt ikke mer enn 90%;

4. Jordskjelvintensitet: Mindre enn 8;

5. Installasjonsmiljø: Ingen brann, eksplosjonsfare, ingen etsende gass og ingen voldelig vibrasjonssted.

6. Ta kontakt med produsenten av vakuumskretsbryteren hvis bruksmiljøet overstiger ovennevnte.




FAQ

Spørsmål: Kan jeg ha priser på produktene dine?

A: Velkommen. Send oss ​​gjerne henvendelse her. Vi vil svare deg innen 24 timer.


Spørsmål: Kan jeg få et utvalg før bulkrekkefølgen?

A: Ja, vi ønsker velkommen til å teste og sjekke kvalitet. Blandede prøver er akseptable.


Spørsmål: Kan vi skrive ut logo/ firmanavn på produkter?

A: Ja, selvfølgelig godtar vi OEM, og trenger at du gir merkevara autorisasjon til oss


Spørsmål: Godtar du produkttilpasning?

A: Ja, selvfølgelig, vennligst oppgi spesifikke tegninger eller parametere, vi vil sitere deg etter evaluering


Spørsmål: Hva er ledetiden?

A: Ledetiden avhenger av mengdene som er bestilt, vanligvis innen 7-20 dager etter å ha mottatt betalingen.


Spørsmål: Hva er handelsvilkårene dine?

A: Vi godtar EXW, FOB, CIF, FCA, etc.


Spørsmål: Hva er betalingsmetoden din?  

A: Vi godtar T/T, Western Union, PayPal, ugjenkallelig L/C ved synet osv.


Spørsmål: Inspiserer du de ferdige produktene?

A: Ja, hvert trinn i produksjonen og ferdige produkter vil bli kommet ut inspeksjon av QC -avdelingen før frakt. Og vi vil gi varekontrollrapporter for din referanse før forsendelse


Spørsmål: Hvordan løse kvalitetsproblemene etter salg?

A: Ta bilder av kvalitetsproblemene og send til oss for å sjekke og bekrefte, vi vil lage en fornøyd løsning for deg innen 3 dager.




Fabrikk


Sertifikat




Hot Tags: ZN12-12 Series Integrated Column Switch Vacuum Circuit Breaker, Kina, produsent, leverandør, fabrikk, lav pris, kvalitet, siste salg, avansert
Send forespørsel
Kontaktinfo
For henvendelser om lavspenningsbryter, høyspenningsisolatorer, høyspentjordingsbryter eller prisliste, vennligst legg igjen din e-post til oss, så tar vi kontakt innen 24 timer.
X
Vi bruker informasjonskapsler for å gi deg en bedre nettleseropplevelse, analysere nettstedstrafikk og tilpasse innhold. Ved å bruke denne siden godtar du vår bruk av informasjonskapsler. Personvernerklæring
Avvis Akseptere